U9303系列甲烷气体传感器
U9303系列甲烷气体传感器,产品采用优化的光学设计及电路设计,检测性能突出;多温度点/全量程校准,提供自动和手动两种校准模式;RMS噪声小于1% LEL;适用于家用和商用燃气安全监测、城市煤气管路、燃气发电厂的泄露监测等应用。
- 型号: U9303系列
- 特性: 甲烷气体传感器
全国服务热线:
18926001870全国服务热线:
18926001870U9303系列甲烷气体传感器
产品特点及应用:
• 采用优化的光学设计及电路设计,检测性能突出
• 多温度点/全量程校准,提供自动和手动两种校准模式
• RMS噪声小于1% LEL
• 适用于家用和商用燃气安全监测、城市煤气管路、燃气发电厂的泄露监测等应用
所属分类:甲烷气体传感器
性能参数:
| 产品名称 | U9303 系列 |
| 产品型号 | U93030001 |
| 检测气体 | Methane (CH4) |
| 检测范围 | 0~ 100% LEL |
| 检测精度 | ±6% LEL |
| 响应时间 | T90 ≤ 30 s |
| 工作条件 | -20~60 ℃; 0~95% RH (Non-condensing) |
| 存储条件 | -40℃~85℃ |
| 供电电压 | DC 4.75 V~5.25 V ,Ripple voltage < 100 mV |
| 平均工作电流 | < 50 mA |
| 通讯接口 | UART PWM I2C (upon request) |
| 产品寿命 | 15 years |
| 长期稳定性 | ≤2% LEL |
| 重量 | 5.7 grams |
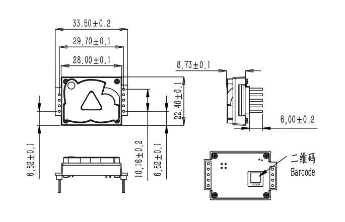
机械尺寸:

引脚定义:

| 序号 | 描述 | |
| CON5 | 1 | Manual calibration |
| 2 | Output change from UART to llC (upon request) | |
| 3 | UART_TX | |
| 4 | UART_RX | |
| 5 | DC +3.3 V output (upon request) | |
| CON4 | 1 | PWM output |
| 2 | Alarm output (upon request) | |
| 3 | GND | |
| 4 | DC +5 V power supply | |
产品选型:
| 产品名称 | U9303系列 |
| 检测范围 | 产品型号 |
| 0~ 100% LEL | FH-U93030001 |