侧装系列PVDF磁簧型浮球液位开关
产品特点及应用:
• 无源感磁双元件,防止设备损坏
• 浮球随液面升降,促发开关通断
• 可侧装倒装,使用可靠
• PVDF防腐材质,专为酸碱腐蚀性溶液定制
• 温度范围-20-85℃
• 默认线长2m,最大接触阻抗不超过1Ω
所属分类:PVDF浮球开关
性能参数:
| PVDF磁簧类浮球开关技术参数表1 |
| 1. 形状尺寸及电线组件:多为定制款,具体请参考对应型号的[外形尺寸图]。 |
| 2. 接点形式: A 型接点 |
| 3. 使用规格: |
| 3 - 1. 最大接点功率:10 W |
| 3 - 2. 最大使用电压:直流或者交流电压 200V |
| 3 - 3. 最大使用电流:直流或者交流 0.5A |
| 3 - 4. 使用温度范围:-30℃ ~ 100℃ |
| 3 - 5. 标准使用液体:水 |
| 3 - 6. 使用环境湿度:最大 RH95%(40℃) |
| 4. 产品性能: |
| 4 - 1. 动作特性:常开或常闭 |
| 4 - 2. 接点阻抗:(设定线长1米以内)电阻值最大不超过400 mΩ |
| 4 - 3. 端子和外壳之间的绝缘阻抗:电阻值最少 108 Ω(直流电压 500V) |
| 4 - 4. 端子间绝缘耐压:直流电压 150V 以上(切断电流为 1mA,1 分钟) |
| 4 - 5. 端子和外壳之间的绝缘耐压:直流电压 1500V,交流电压 2000V(切断电流为 1mA,1 分钟) |
| 4 - 6. 电气寿命:1x106 次数以上 (DC 5V, 5mA) |
| 4 - 7. 耐冲击性 30G 以下冲击无误动作 |
| 4 - 8. 耐振动性: X、Y 和 Z 三个方向各振 2 小时,振动频率10~55Hz,振幅 1.52mm,无出现异常。 |
| PVDF磁簧类浮球开关技术参数表2 |
| 1. 形状尺寸:多为定制款,具体请参考对应型号的[外形尺寸图]。 |
| 2. 接点形式: A 型接点 |
| 3. 使用规格: |
| 3 - 1. 最大接点功率:50W |
| 3 - 2. 最大使用电压:直流或者交流电压 250V |
| 3 - 3. 最大使用电流:直流或者交流 1A |
| 3 - 4. 使用温度范围:-30℃ ~ 100℃ |
| 3 - 5. 标准使用液体:水 |
| 3 - 6. 使用环境湿度:最大 RH95%(40℃) |
| 4. 产品性能: |
| 4 - 1. 动作特性:常开或常闭 |
| 4 - 2. 接点阻抗:(设定线长1米以内)电阻值最大不超过400 mΩ |
| 4 - 3. 端子和外壳之间的绝缘阻抗:电阻值最少 108Ω(直流电压 500V) |
| 4 - 4. 端子间绝缘耐压:直流电压 150V 以上(切断电流为 1mA,1 分钟) |
| 4 - 5. 端子和外壳之间的绝缘耐压:直流电压 1500V,交流电压 2000V(切断电流为 1mA,1 分钟) |
| 4 - 6. 电气寿命: 1x106 次数以上 (DC 5V, 5mA) |
| 4 - 7. 耐冲击性 30G 以下冲击无误动作 |
| 4 - 8. 耐振动性: X、Y 和 Z 三个方向各振 2 小时,振动频率10~55Hz,振幅 1.52mm,无出现异常。 |
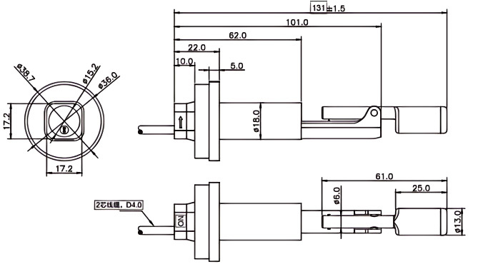
机械尺寸:

接线定义:
